HAUPTMENÜ
HARDWARE:
- CD32
- CDTV
- CDTV/CR
CD-1000 :: CDTV
INTRO
SPEZIFIKATION
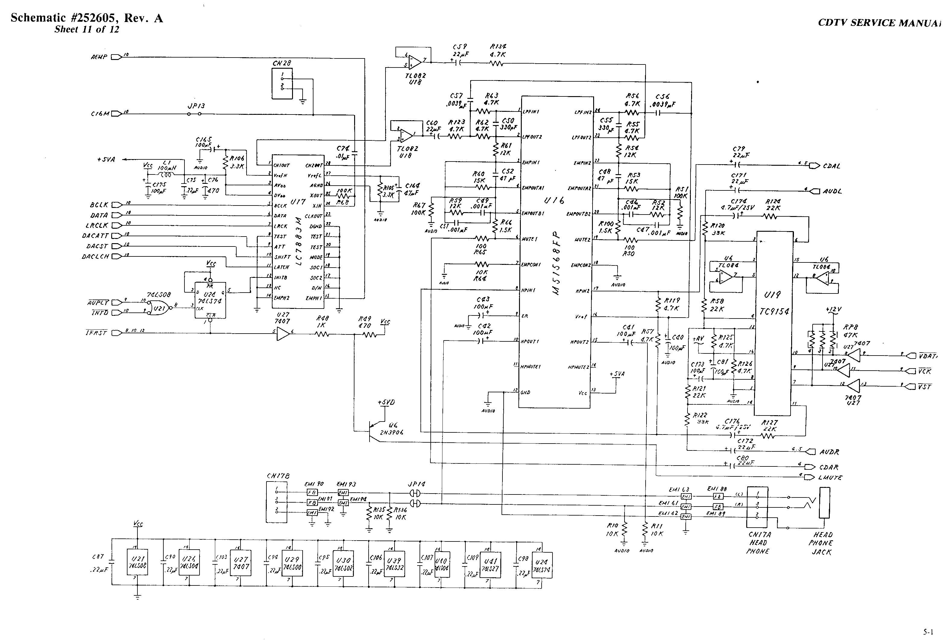
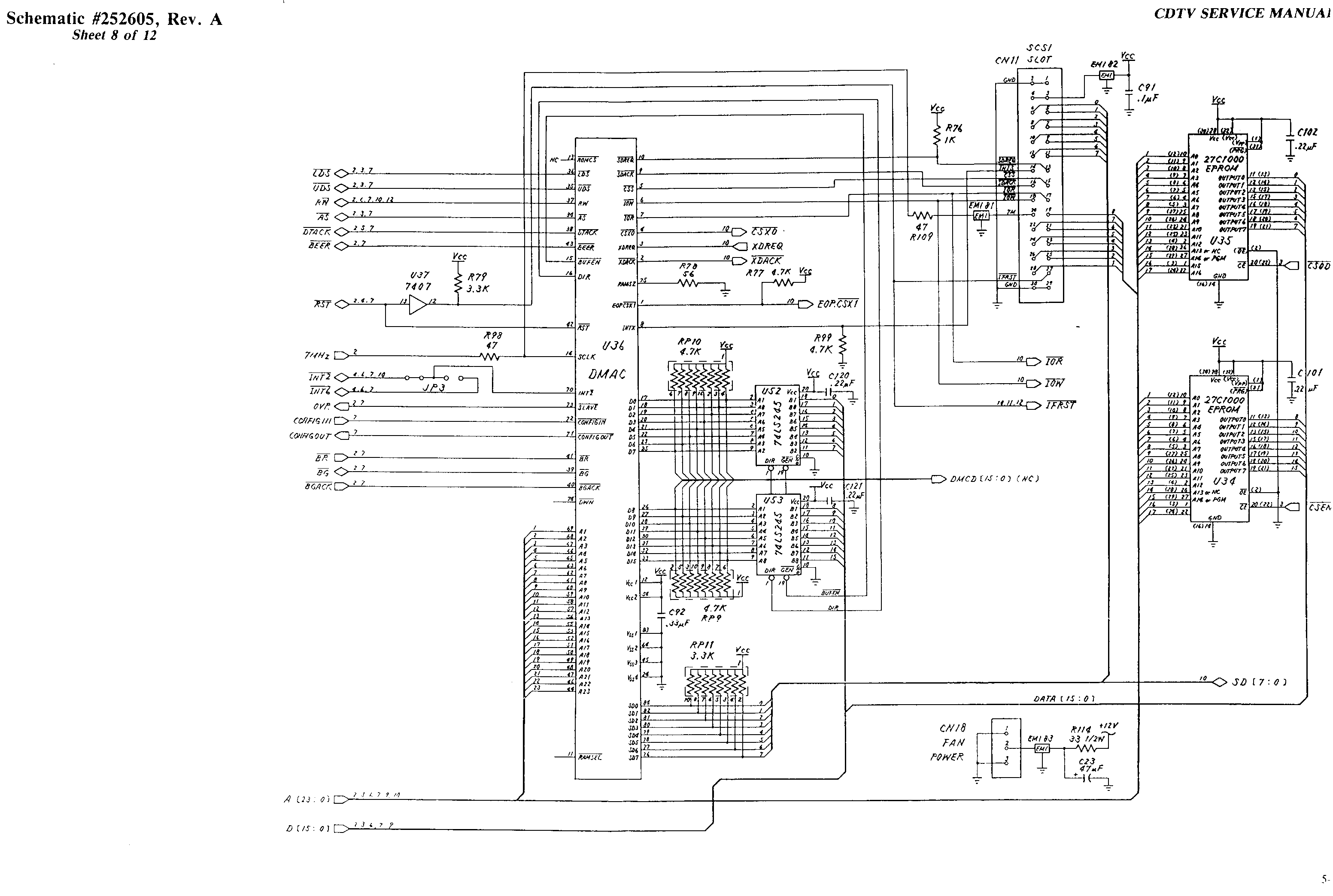
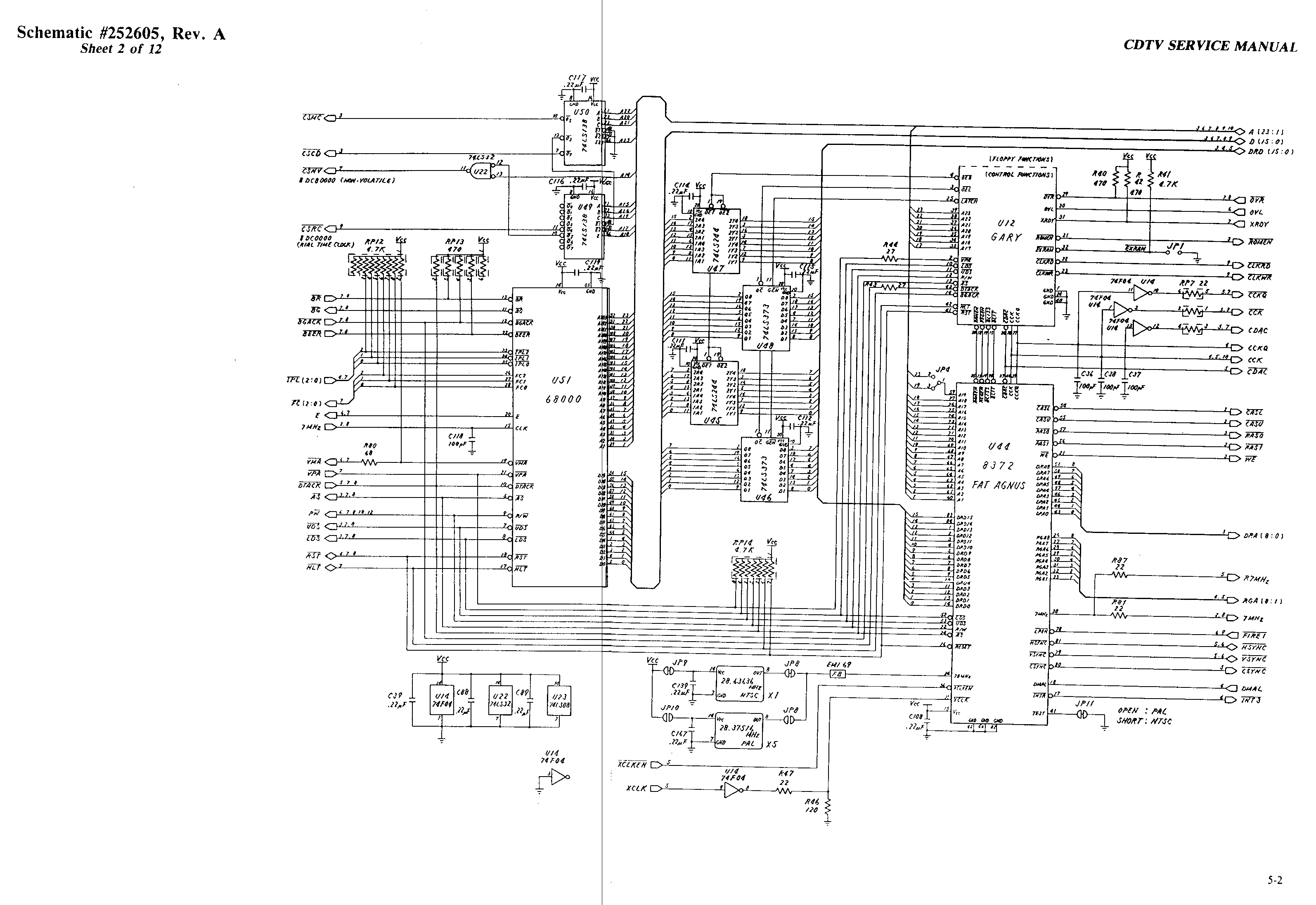
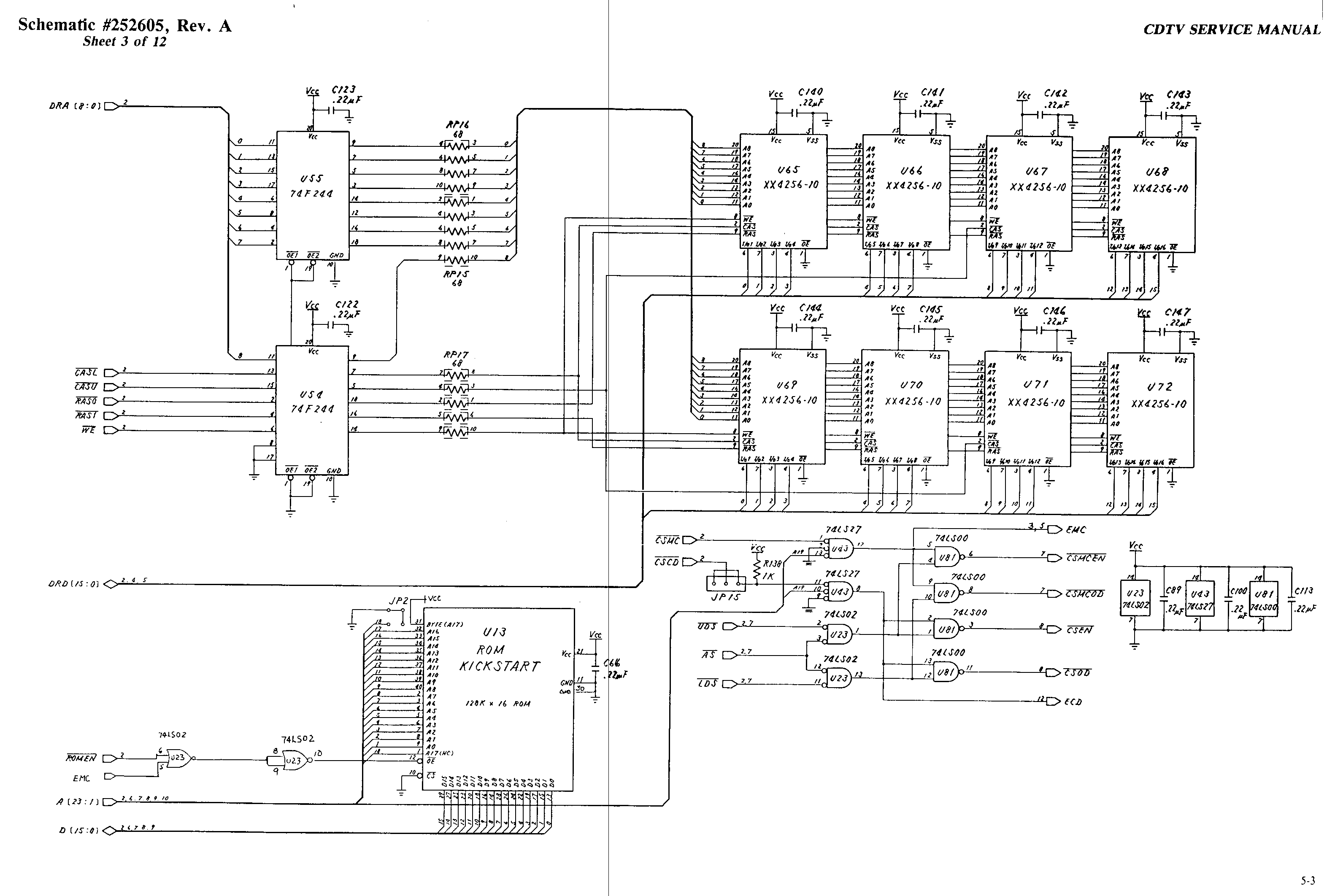
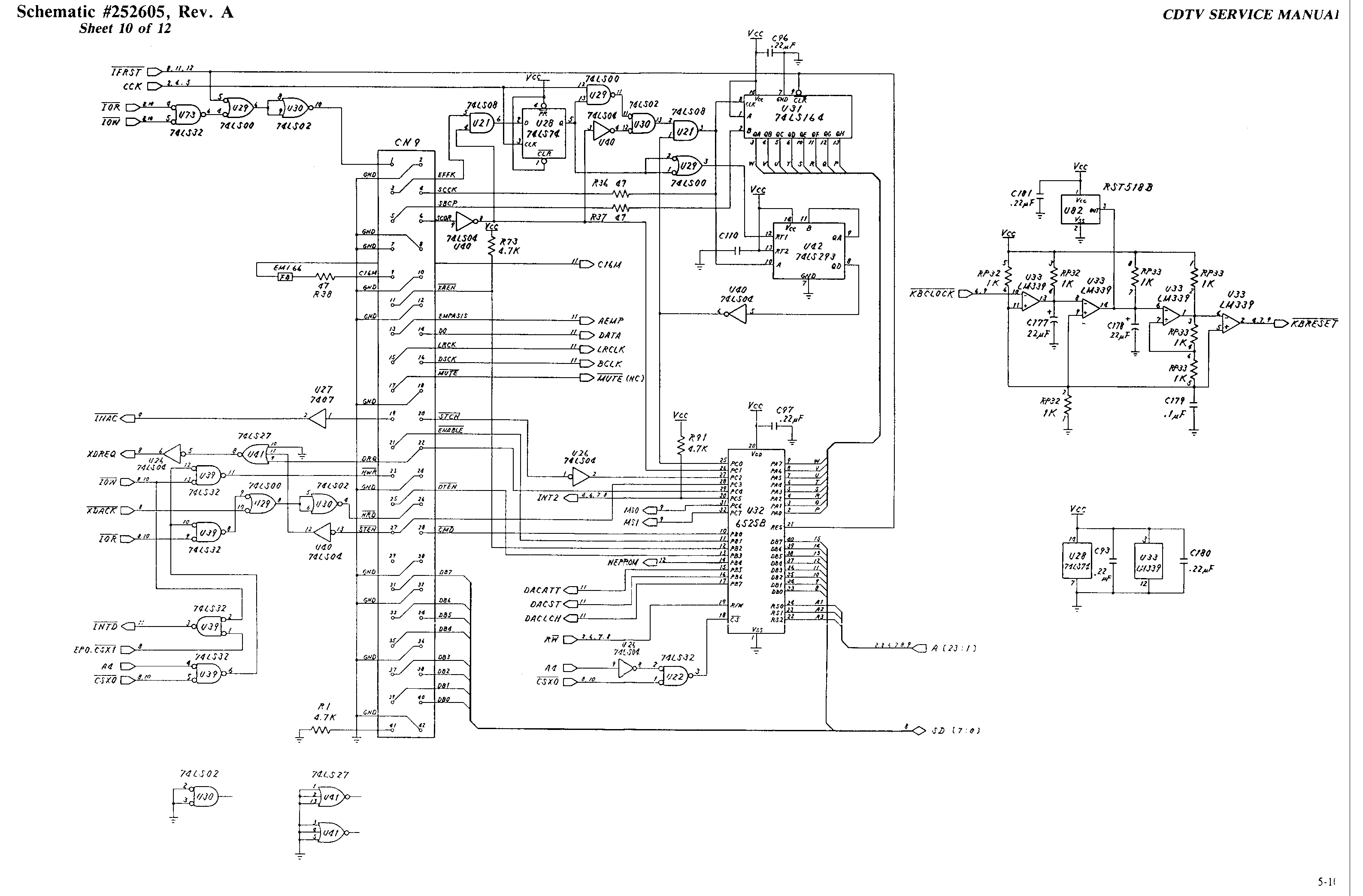
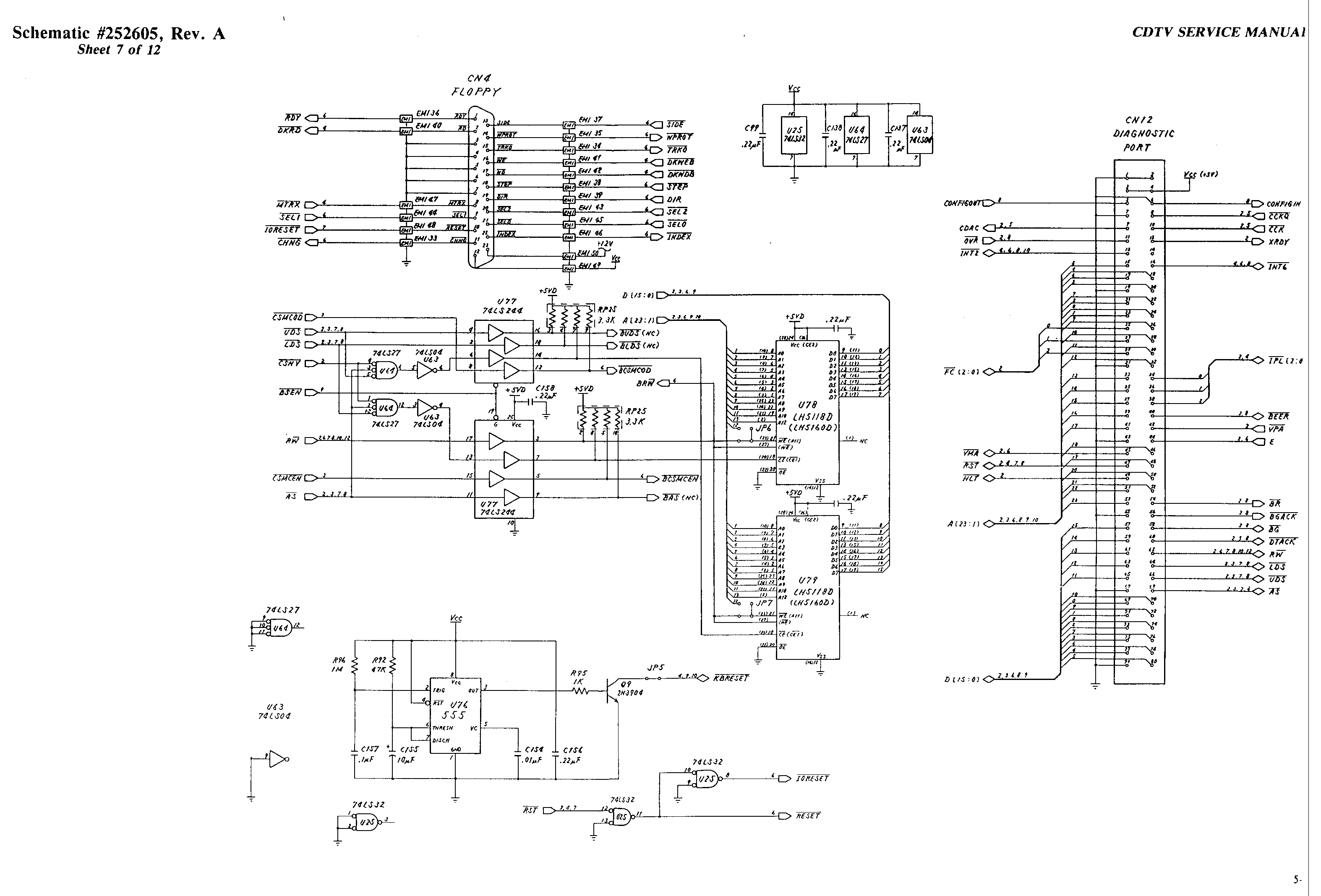
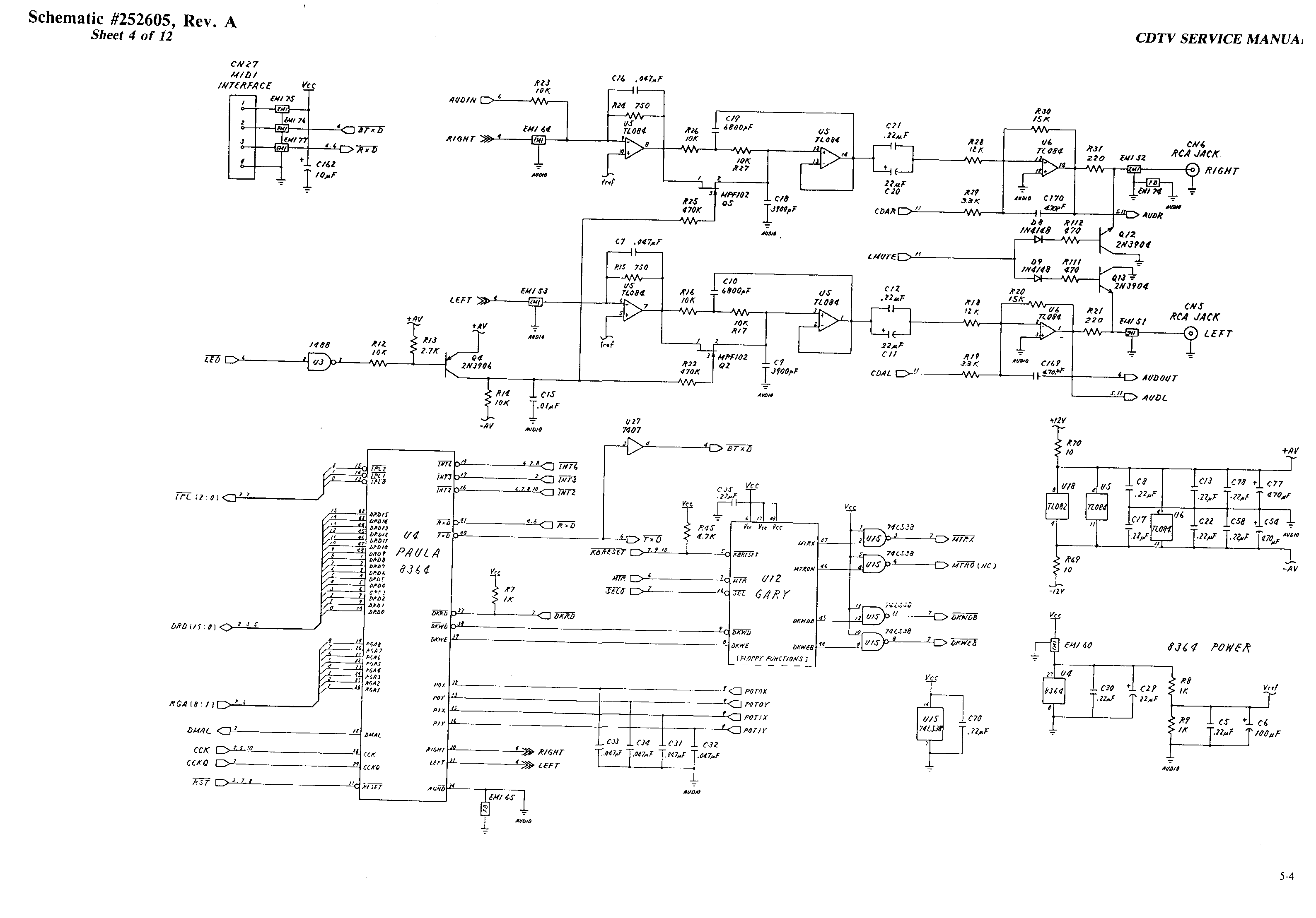
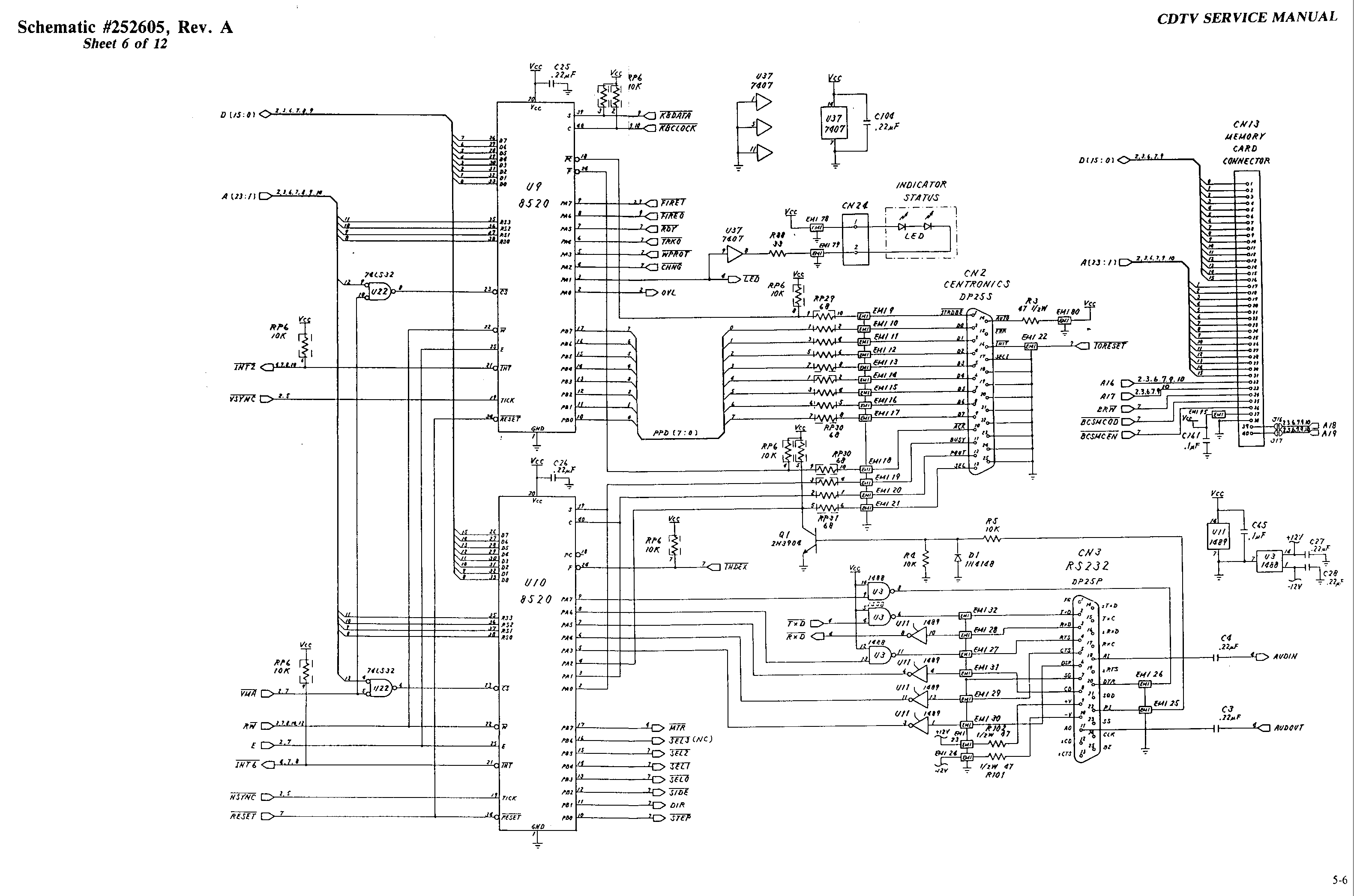
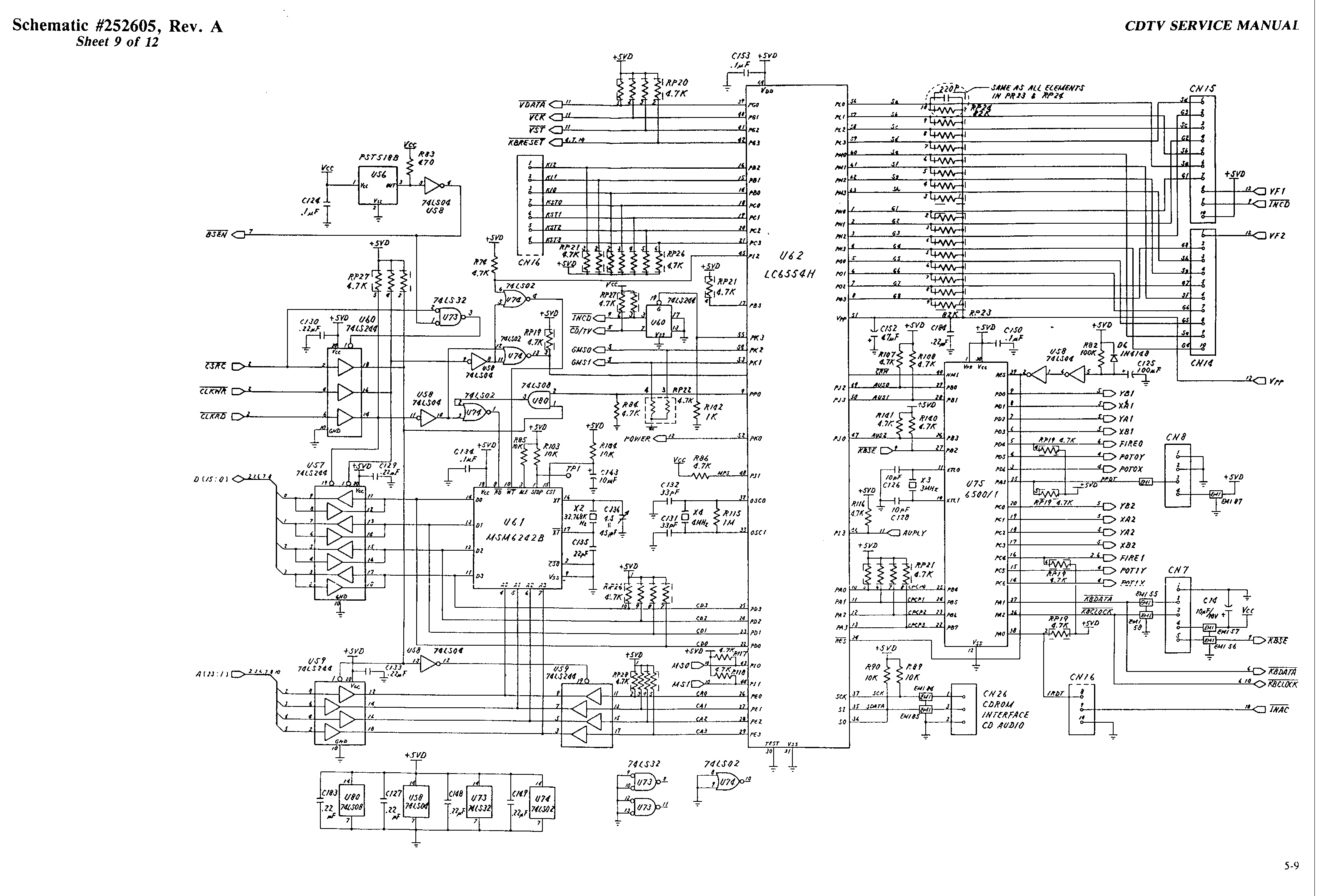
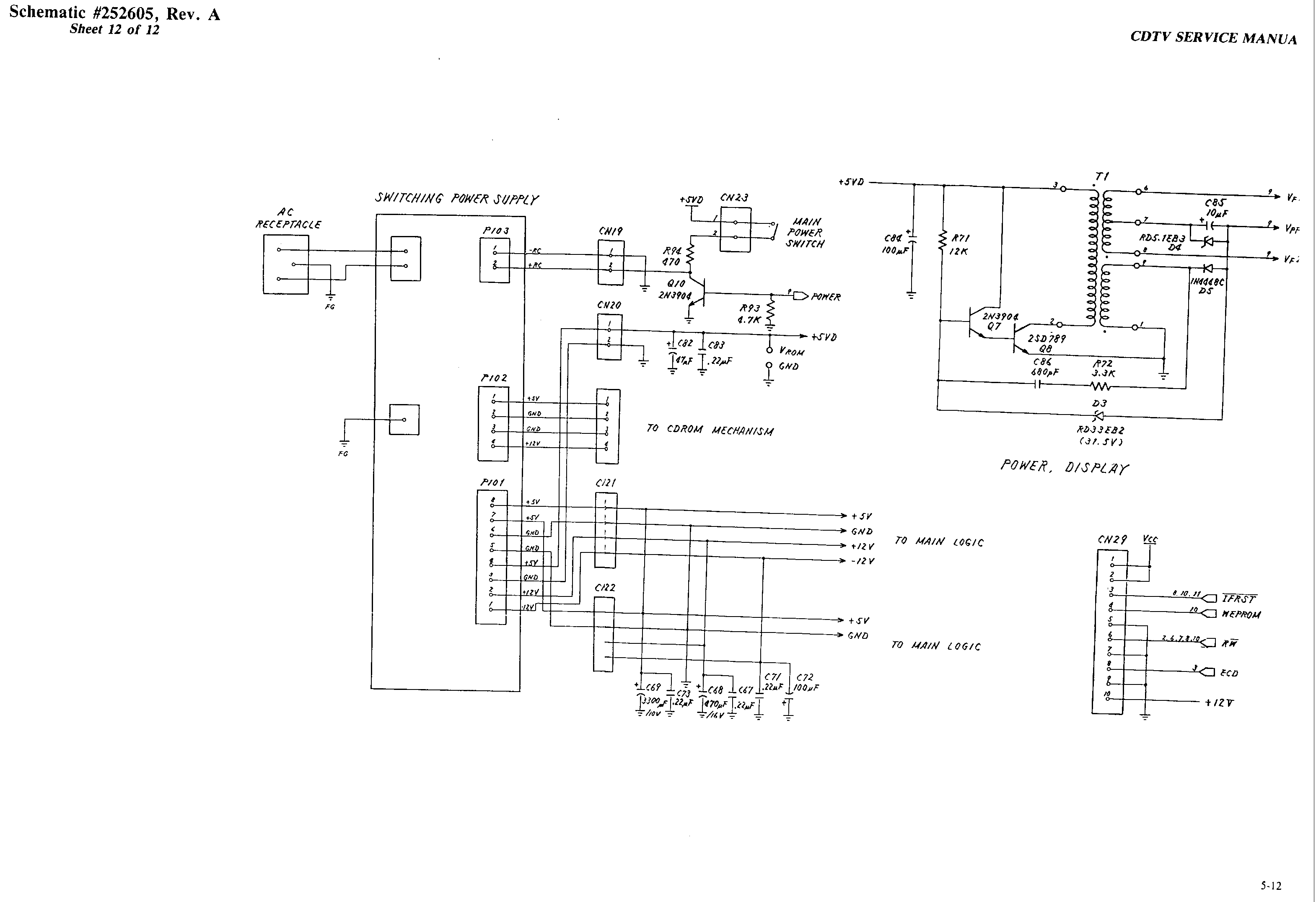
SCHALTPLAN
FOTOS
CDTV Service Manual
Komplettes CDTV Service Manual inkl. Schaltpläne in besserer Auflösung
INTRO
SPEZIFIKATION
SCHALTPLAN
FOTOS